Главная > Подшипники> Шарнирные скольжения>GIKR 12 PW

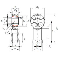
GIKR 12 PW — Сферический шарнирный подшипник, импортное производство по ISO стандарту, размер 12x26x16 номер основного исполнения .
Производитель: INA.
P = Литой сепаратор из стеклонаполненного полиамида 6,6, центрируемый по телам качения.
Цена от:837 р.
Цена на подшипник зависит от:
Габаритные размеры
Размеры и геометрические характеристики
Нагрузка и ресурс
Защита
Присоединительные размеры
Другие размеры
Сферический шарнирный подшипник GAKR 12 PW (INA)
Радиальный сферический подшипник скольжения GAKFR 12 PB (INA)
Сферический шарнирный подшипник GAKFL 12 PB (INA)
Сферический шарнирный подшипник GAKFL 12 PW (INA)
Сферический шарнирный подшипник GAKFR 12 PW (INA)
Сферический шарнирный подшипник GAKR 12 PB (INA)