Главная > Подшипники> Шарнирные скольжения>GIKR 10 PB

GIKR 10 PB — Сферический шарнирный подшипник, импортное производство по ISO стандарту, размер 10x22x14 номер основного исполнения .
Производитель: INA.
P = Литой сепаратор из стеклонаполненного полиамида 6,6, центрируемый по телам качения.
Цена от:781 р.
Цена на подшипник зависит от:
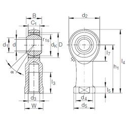
Габаритные размеры
Размеры и геометрические характеристики
Нагрузка и ресурс
Защита
Присоединительные размеры
Другие размеры
Подшипник роликовый игольчатый 914700 (ГПЗ-3)
Подшипник роликовый игольчатый 914700 Ю1 (ГПЗ-3)
Подшипник роликовый игольчатый 914700 Ю1С21 (ГПЗ-3)
Подшипник шарнирный НУ2ШС10 ЮТВК (ГПЗ-3)
Подшипник шарнирный НУ2ШС10 ВК (ГПЗ-3)
Роликовый игольчатый подшипник NA 4900 RS (KOYO, NBS, SKF)