Главная > Подшипники> Шарнирные скольжения>GIKL 6 PB

GIKL 6 PB — Радиальный сферический подшипник скольжения, импортное производство по ISO стандарту, размер 6x16x9 номер основного исполнения .
Производитель: INA.
P = Литой сепаратор из стеклонаполненного полиамида 6,6, центрируемый по телам качения.
Цена от:579 р.
Цена на подшипник зависит от:
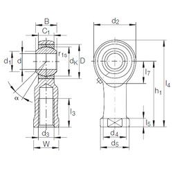
Габаритные размеры
Размеры и геометрические характеристики
Нагрузка и ресурс
Защита
Присоединительные размеры
Другие размеры
Сферический шарнирный подшипник GAKFL 6 PB (INA)
Сферический шарнирный подшипник GAKFR 6 PW (INA)
Сферический шарнирный подшипник GAKL 6 PB (INA)
Сферический шарнирный подшипник GAKFL 6 PW (INA)
Сферический шарнирный подшипник GAKFR 6 PB (INA)
Сферический шарнирный подшипник GAKL 6 PW (INA)