Главная > Подшипники> Шарнирные скольжения>GIKL 22 PB

GIKL 22 PB — Сферический шарнирный подшипник, импортное производство по ISO стандарту, размер 22x42x28 номер основного исполнения .
Производитель: INA.
P = Литой сепаратор из стеклонаполненного полиамида 6,6, центрируемый по телам качения.
Цена от:591 р.
Цена на подшипник зависит от:
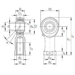
Габаритные размеры
Размеры и геометрические характеристики
Нагрузка и ресурс
Защита
Присоединительные размеры
Другие размеры
Сферический шарнирный подшипник GAKFL 22 PW (INA)
Сферический шарнирный подшипник GAKFR 22 PB (INA)
Сферический шарнирный подшипник GAKFR 22 PW (INA)
Сферический шарнирный подшипник GAKL 22 PW (INA)
Сферический шарнирный подшипник GAKR 22 PW (INA)
Радиальный сферический подшипник скольжения GAKFL 22 PB (INA)