Главная > Подшипники> Шарнирные скольжения>GIKFR 18 PB

GIKFR 18 PB — Сферический шарнирный подшипник, импортное производство по ISO стандарту, размер 18x35x23 номер основного исполнения .
Производитель: INA.
P = Литой сепаратор из стеклонаполненного полиамида 6,6, центрируемый по телам качения.
Цена по запросу
Цена на подшипник зависит от:
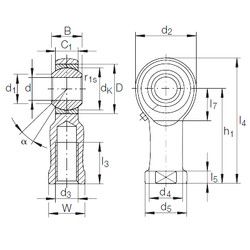
Габаритные размеры
Размеры и геометрические характеристики
Нагрузка и ресурс
Защита
Присоединительные размеры
Другие размеры
Сферический шарнирный подшипник GAKFR 18 PW (INA)
Сферический шарнирный подшипник GAKFL 18 PB (INA)
Сферический шарнирный подшипник GAKFL 18 PW (INA)
Сферический шарнирный подшипник GAKL 18 PW (INA)
Сферический шарнирный подшипник GAKFR 18 PB (INA)
Сферический шарнирный подшипник GAKR 18 PB (INA)