Главная > Подшипники> Шарнирные скольжения>GIKFL 8 PW

GIKFL 8 PW — Сферический шарнирный подшипник, импортное производство по ISO стандарту, размер 8x19x12 номер основного исполнения .
Производитель: INA.
P = Литой сепаратор из стеклонаполненного полиамида 6,6, центрируемый по телам качения.
Цена по запросу
Цена на подшипник зависит от:
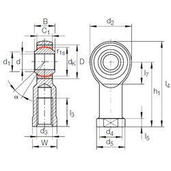
Габаритные размеры
Размеры и геометрические характеристики
Нагрузка и ресурс
Защита
Присоединительные размеры
Другие размеры
Радиальный шарикоподшипник 698ZZD2 (NTN)
Игольчатый роликоподшипник LM121912 (NSK)
Сферический шарнирный подшипник GAKL 8 PW (INA)
Сферический шарнирный подшипник GAKFL 8 PW (INA)
Сферический шарнирный подшипник GAKFL 8 PB (INA)
Сферический шарнирный подшипник GAKFR 8 PB (INA)