Главная > Подшипники> Шарнирные скольжения>GIKFL 16 PB

GIKFL 16 PB — Сферический шарнирный подшипник, импортное производство по ISO стандарту, размер 16x32x21 номер основного исполнения .
Производитель: INA.
P = Литой сепаратор из стеклонаполненного полиамида 6,6, центрируемый по телам качения.
Цена по запросу
Цена на подшипник зависит от:
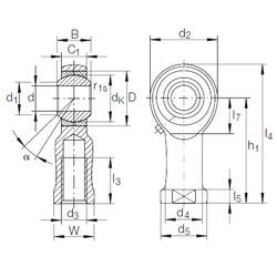
Габаритные размеры
Размеры и геометрические характеристики
Нагрузка и ресурс
Защита
Присоединительные размеры
Другие размеры
Сферический шарнирный подшипник GAKFR 16 PW (INA)
Сферический шарнирный подшипник GAKFL 16 PW (INA)
Сферический шарнирный подшипник GAKL 16 PB (INA)
Сферический шарнирный подшипник GAKR 16 PW (INA)
Сферический шарнирный подшипник GAKFL 16 PB (INA)
Сферический шарнирный подшипник GAKR 16 PB (INA)