Главная > Подшипники> Шарнирные скольжения>GEZM 300 ES

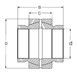
GEZM 300 ES — Радиальный сферический подшипник скольжения с контактными поверхностями сталь/сталь, требующий техобслуживания, импортное производство по ISO стандарту, размер 76x120x114 номер основного исполнения .
Производится брендами: SIGMA, SKF.
E = Увеличенная грузоподъемность. S = кольцевой канал с двумя отверстиями для смазки во внутреннем и наружном кольце.
Цена по запросу
Цена на подшипник зависит от:
Габаритные размеры
Размеры и геометрические характеристики
Нагрузка и ресурс
Защита
Коэффициенты для расчета
Присоединительные размеры
Конструкция и исполнение
Прочие характеристики
Радиальный сферический подшипник скольжения GEWZ76ES-2RS (LS)
Радиальный сферический подшипник скольжения GEZM300ES-2RS (SKF)
Радиальные сферические подшипники скольжения сталь на стали GEWZ76ES (AST, LS)