Главная > Подшипники> Шарнирные скольжения>GEZM 104 ES

GEZM 104 ES — Радиальный сферический подшипник скольжения, импортное производство по ISO стандарту, размер 31x50x47 номер основного исполнения .
Производится брендами: SIGMA, SKF.
E = Увеличенная грузоподъемность. S = кольцевой канал с двумя отверстиями для смазки во внутреннем и наружном кольце.
Цена по запросу
Цена на подшипник зависит от:
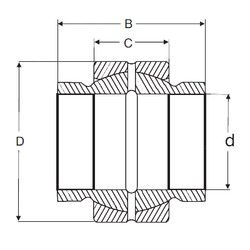
Габаритные размеры
Размеры и геометрические характеристики
Нагрузка и ресурс
Защита
Присоединительные размеры
Другие размеры
Радиальный сферический подшипник скольжения GEZM104ES-2LS (SKF)
Радиальный сферический подшипник скольжения GEZM104ES-2RS (SKF)
Радиальный сферический подшипник скольжения GEWZ31ES-2RS (LS)