Главная > Подшипники> Шарнирные скольжения>GEZ 500 ES

GEZ 500 ES — Сферический подшипник скольжения, импортное производство по ISO стандарту, размер 127x196x111 номер основного исполнения .
Производится брендами: NIS, SIGMA, SKF.
E = Увеличенная грузоподъемность. S = кольцевой канал с двумя отверстиями для смазки во внутреннем и наружном кольце.
Цена по запросу
Цена на подшипник зависит от:
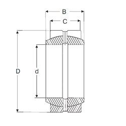
Габаритные размеры
Размеры и геометрические характеристики
Нагрузка и ресурс
Защита
Присоединительные размеры
Другие размеры
Прочие характеристики
Сферический подшипник скольжения 50SF80 (NSK)
Подшипник скольжения сферический GEZ 127 ES (AST, FBJ, ISB, LS)
Радиальный сферический подшипник скольжения SA2-80B (NTN)
Сферический подшипник скольжения SBB 80-2RS (IKO)
Сферический подшипник скольжения SBB 80 (IKO)