Главная > Подшипники> Шарнирные скольжения>GEK30XS-2RS

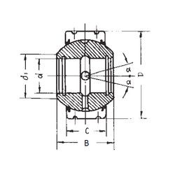
GEK30XS-2RS — Подшипник скольжения сферический, импортное производство по ISO стандарту, размер 30x70x47 номер основного исполнения .
Производится брендами: AST, FBJ, ISB, LS.
Резиновые уплотнения с каждой стороны подшипника.
Цена по запросу
Цена на подшипник зависит от:
Габаритные размеры
Размеры и геометрические характеристики
Нагрузка и ресурс
Защита
Присоединительные размеры
Конструкция и исполнение
Прочие характеристики