Главная > Подшипники> Шарнирные скольжения>GEH280HCS

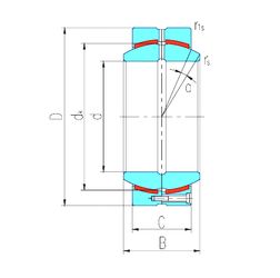
GEH280HCS — Радиальный сферический подшипник скольжения, импортное производство по ISO стандарту, размер 280x400x200 номер основного исполнения .
Производится брендами: AST, LS.
CS = Контактное уплотнение из бутадиенакрилнитрильного каучука (NBP) с армированной листовой сталью с одной стороны подшипника.
Цена по запросу
Цена на подшипник зависит от:
Габаритные размеры
Размеры и геометрические характеристики
Нагрузка и ресурс
Защита
Присоединительные размеры
Конструкция и исполнение
Прочие характеристики
Подшипник скольжения сферический GE 280 CP (ISB)
Радиальный сферический подшипник скольжения GEH280HT (AST, LS)
Радиальный сферический подшипник скольжения GEH280XF/Q (LS)
Радиальный сферический подшипник скольжения GEH280XT (AST, LS)
Радиальный сферический подшипник скольжения GEH280HC (AST, LS)
Радиальный сферический подшипник скольжения GEP280FS (SKF)