Главная > Подшипники> Шарнирные скольжения>GEH220HCS

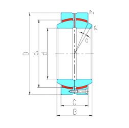
GEH220HCS — Радиальный сферический подшипник скольжения, импортное производство по ISO стандарту, размер 220x320x155 номер основного исполнения .
Производитель: LS.
CS = Контактное уплотнение из бутадиенакрилнитрильного каучука (NBP) с армированной листовой сталью с одной стороны подшипника.
Цена по запросу
Цена на подшипник зависит от:
Габаритные размеры
Размеры и геометрические характеристики
Нагрузка и ресурс
Защита
Подшипник скольжения сферический GE 220 CP (ISB)
Радиальный сферический подшипник скольжения GEH220HC (LS)
Радиальный сферический подшипник скольжения GEH220XT (AST, LS)
Радиальный сферический подшипник скольжения GEH220HT (LS)
Радиальный сферический подшипник скольжения GEH220XF/Q (LS)