Главная > Подшипники> Шарнирные скольжения>GEG8N

GEG8N — Радиальный сферический подшипник скольжения, импортное производство по ISO стандарту номер основного исполнения .
Производится брендами: AST, LS.
N = Канавка под стопорное кольцо в наружном кольце
Цена по запросу
Цена на подшипник зависит от:
Габаритные размеры
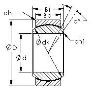
Размеры и геометрические характеристики
Нагрузка и ресурс
Защита
Присоединительные размеры
Прочие характеристики
Радиальный шарикоподшипник P698-SB (ZEN)
Радиальный шарикоподшипник P698-GB (ZEN)
Радиальный шарикоподшипник R-1980SS (NMB)
Подшипник однорядный шариковый радиальный R-1980 (NIS, NMB)
Радиальный шарикоподшипник R-1980KK (NMB)
Радиальный шарикоподшипник R-1980DD (NMB)