Главная > Подшипники> Шарнирные скольжения>GEG45N

GEG45N — Радиальный сферический подшипник скольжения, импортное производство по ISO стандарту номер основного исполнения .
Производится брендами: AST, LS.
N = Канавка под стопорное кольцо в наружном кольце
Цена по запросу
Цена на подшипник зависит от:
Габаритные размеры
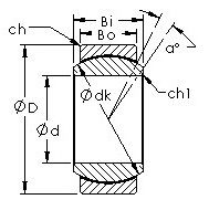
Размеры и геометрические характеристики
Нагрузка и ресурс
Защита
Присоединительные размеры
Прочие характеристики
Радиальный шарикоподшипник P6009-GB (ZEN)
Радиальный шарикоподшипник P6009-SB (ZEN)
Подшипник шариковый радиальный двухрядный PC45750032CS (PFI)
Подшипник шариковый из нержавеющей стали S6009-2RS (ZEN)
Подшипник шариковый радиальный S6009-2RSR (FAG)
Подшипник шариковый радиальный S6009 (FAG, ZEN)