Главная > Подшипники> Шарнирные скольжения>GEG17N

GEG17N — Радиальный сферический подшипник скольжения, импортное производство по ISO стандарту номер основного исполнения .
Производится брендами: AST, LS.
N = Канавка под стопорное кольцо в наружном кольце
Цена по запросу
Цена на подшипник зависит от:
Габаритные размеры
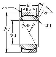
Размеры и геометрические характеристики
Нагрузка и ресурс
Защита
Присоединительные размеры
Прочие характеристики
Радиальный шарикоподшипник MU003+ER (NACHI)
Радиальный шарикоподшипник NC6003 (KOYO)
Радиальный шарикоподшипник NC7003V (KOYO)
Радиальный шарикоподшипник P6003-SB (ZEN)
Радиальный шарикоподшипник P6003-GB (ZEN)
Радиальный шарикоподшипник S16003-2Z (ZEN)