Главная > Подшипники> Шарнирные скольжения>GEG12N

GEG12N — Радиальный сферический подшипник скольжения, импортное производство по ISO стандарту номер основного исполнения .
Производится брендами: AST, LS.
N = Канавка под стопорное кольцо в наружном кольце
Цена по запросу
Цена на подшипник зависит от:
Габаритные размеры
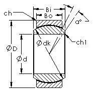
Размеры и геометрические характеристики
Нагрузка и ресурс
Защита
Присоединительные размеры
Прочие характеристики
Подшипник шариковый упорный 6-8101 (ГПЗ-2)
Подшипник упорный шариковый одинарный 8101 ЮТ (ГПЗ-2)
Подшипник шариковый упорный 8101 К (ГПЗ-20)
Подшипник роликовый упорный 219801 (ГПЗ-4)
Подшипник упорный одинарный с игольчатыми роликами без колец АК12X26X2
Подшипник игольчатый упорный NTB 1226 (IKO)