Главная > Подшипники> Шарнирные скольжения>GEFZ25C

GEFZ25C — Радиальный сферический подшипник скольжения, импортное производство по ISO стандарту номер основного исполнения .
Производится брендами: AST, LS.
С = Необслуживаемые концы стержней, внутренняя резьба.
Цена по запросу
Цена на подшипник зависит от:
Габаритные размеры
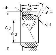
Размеры и геометрические характеристики
Нагрузка и ресурс
Защита
Присоединительные размеры
Прочие характеристики
Подшипник однорядный шариковый радиальный KP16B (AST)
Подшипник роликовый цилиндрический двухрядный TRU 254425UU (IKO)
Цилиндрический роликоподшипник TRU 254425 (IKO)