Главная > Подшипники> Шарнирные скольжения>GEFZ22C

GEFZ22C — Радиальный сферический подшипник скольжения, импортное производство по ISO стандарту номер основного исполнения .
Производится брендами: AST, LS.
С = Необслуживаемые концы стержней, внутренняя резьба.
Цена по запросу
Цена на подшипник зависит от:
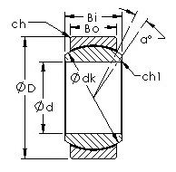
Габаритные размеры
Размеры и геометрические характеристики
Нагрузка и ресурс
Защита
Присоединительные размеры
Прочие характеристики