Главная > Подшипники> Шарнирные скольжения>GEFZ11T

GEFZ11T — Радиальный сферический подшипник скольжения, импортное производство по ISO стандарту номер основного исполнения .
Производится брендами: AST, LS.
T = Механически обработанный сепаратор из текстолита, центрируемый по телам качения.
Цена по запросу
Цена на подшипник зависит от:
Габаритные размеры
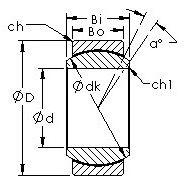
Размеры и геометрические характеристики
Нагрузка и ресурс
Защита
Присоединительные размеры
Конструкция и исполнение
Прочие характеристики
Радиальный шарикоподшипник S1607-2RS (ZEN)
Радиальный шарикоподшипник S1607-2Z (ZEN)