Главная > Подшипники> Шарнирные скольжения>GEC440XS-2RS

GEC440XS-2RS — Радиальный сферический подшипник скольжения, импортное производство по ISO стандарту номер основного исполнения .
Производится брендами: AST, LS.
Резиновые уплотнения с каждой стороны подшипника.
Цена по запросу
Цена на подшипник зависит от:
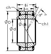
Габаритные размеры
Размеры и геометрические характеристики
Нагрузка и ресурс
Защита
Присоединительные размеры
Конструкция и исполнение
Прочие характеристики
Подшипник шариковый упорно-радиальный 9168288 ЮТ (ГПЗ-1)
Подшипник упорный с короткими цилиндрическими роликами однорядный без колец 999288
Цилиндрический роликоподшипник NJ1988 (CX, ISO)
Цилиндрический роликоподшипник NJ3988 (CX, ISO)
Цилиндрический роликоподшипник NU1988 (CX, ISO)
Цилиндрический роликоподшипник NU3988 (CX, ISO)