Главная > Подшипники> Шарнирные скольжения>GEC400XS-2RS

GEC400XS-2RS — Радиальный сферический подшипник скольжения, импортное производство по ISO стандарту номер основного исполнения .
Производится брендами: AST, LS.
Резиновые уплотнения с каждой стороны подшипника.
Цена по запросу
Цена на подшипник зависит от:
Габаритные размеры
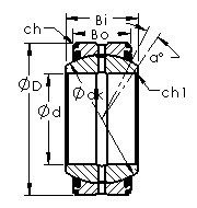
Размеры и геометрические характеристики
Нагрузка и ресурс
Защита
Присоединительные размеры
Конструкция и исполнение
Прочие характеристики
Подшипник роликовый упорно-радиальный 6-9039280 (ГПЗ-1)
Подшипник упорный с короткими цилиндрическими роликами однорядный без колец 999280
Цилиндрический роликоподшипник NJ1980 (CX, ISO)
Цилиндрический роликоподшипник NN3980C1NAP4 (NTN)
Цилиндрический роликоподшипник NN3980 (CX, ISO)
Цилиндрический роликоподшипник NN3980 K (CX, ISO)