Главная > Подшипники> Шарнирные скольжения>GEC340XS-2RS

GEC340XS-2RS — Радиальный сферический подшипник скольжения, импортное производство по ISO стандарту номер основного исполнения .
Производится брендами: AST, LS.
Резиновые уплотнения с каждой стороны подшипника.
Цена по запросу
Цена на подшипник зависит от:
Габаритные размеры
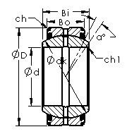
Размеры и геометрические характеристики
Нагрузка и ресурс
Защита
Присоединительные размеры
Конструкция и исполнение
Прочие характеристики
Подшипник упорный с короткими цилиндрическими роликами однорядный без колец 999268
Цилиндрический роликоподшипник NJ1968 (CX, ISO)
Цилиндрический роликоподшипник NN4968C1NAP4 (NTN)
Цилиндрический роликоподшипник NN4968KC1NAP4 (NTN)
Цилиндрический роликоподшипник NN4968KWD1XC9NAP5 (NTN)
Цилиндрический роликоподшипник NN4968KD1C0NAP5 (NTN)