Главная > Подшипники> Шарнирные скольжения>GEC320XS

GEC320XS — Подшипник скольжения сферический, импортное производство по ISO стандарту номер основного исполнения .
Производится брендами: AST, FBJ, LS.
S = смазочный паз и три отверстия в наружном кольце подшипника.
Цена по запросу
Цена на подшипник зависит от:
Габаритные размеры
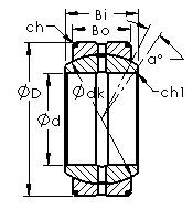
Размеры и геометрические характеристики
Нагрузка и ресурс
Защита
Присоединительные размеры
Конструкция и исполнение
Прочие характеристики
Подшипник упорный с короткими цилиндрическими роликами однорядный без колец 999264
Цилиндрический роликоподшипник NJ1964 (CX, ISO)
Цилиндрический роликоподшипник NN3964KC9NAP4 (NTN)
Цилиндрический роликоподшипник NN3964C1NAP4 (NTN)
Цилиндрический роликоподшипник NN3964KC1NAP4 (NTN)