Главная > Подшипники> Шарнирные скольжения>GEBJ30C

GEBJ30C — Радиальный сферический подшипник скольжения, импортное производство по ISO стандарту номер основного исполнения .
Производится брендами: AST, LS.
J = Сепаратор стальной штампованный незакалённый. Сорт стали 30.
Цена по запросу
Цена на подшипник зависит от:
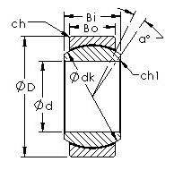
Габаритные размеры
Размеры и геометрические характеристики
Нагрузка и ресурс
Защита
Присоединительные размеры
Прочие характеристики
Подшипник для корпуса MU006+ER (NACHI)
Радиальный шарикоподшипник NC6006 (KOYO)
Радиальный шарикоподшипник NC7006V (KOYO)
Радиальный шарикоподшипник P6006-SB (ZEN)
Радиальный шарикоподшипник P6006-GB (ZEN)
Подшипник шариковый двухрядный радиально-упорный PC30550023CS (PFI)