Главная > Подшипники> Шарнирные скольжения>GE80-DO

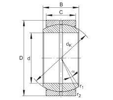
GE80-DO — Сферический подшипник скольжения, импортное производство по ISO стандарту, размер 80x120x55 номер основного исполнения .
Производится брендами: INA, ISO.
DO = Поверхность скользящего контакта Сталь / Сталь, внутреннее и наружное кольцо закалены.
Цена от:3 356 р.
Цена на подшипник зависит от:
Габаритные размеры
Размеры и геометрические характеристики
Нагрузка и ресурс
Защита
Отклонение, точность вращения
Присоединительные размеры
Другие размеры
Прочие характеристики
Подшипник шарнирный ЕШЛТ80
Подшипник шарнирный ЕШЛТ80 Ю1Т (ГПЗ-3)
Подшипник скольжения сферический ЕШЛТ80 УТ2 (ГПЗ-3)
Подшипник скольжения сферический ЕШСЛ80 (ГПЗ-3)
Подшипник скольжения сферический ШЛТ80 Ю (ГПЗ-3)
Подшипник скольжения сферический ШЛТ80 ЮТ (ГПЗ-3)