Главная > Подшипники> Шарнирные скольжения>GE630-DO

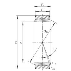
GE630-DO — Подшипник шарнирный, импортное производство по ISO стандарту, размер 630x850x300 номер основного исполнения .
Производится брендами: INA, ISO.
DO = Поверхность скользящего контакта Сталь / Сталь, внутреннее и наружное кольцо закалены.
Цена по запросу
Цена на подшипник зависит от:
Габаритные размеры
Размеры и геометрические характеристики
Нагрузка и ресурс
Защита
Отклонение, точность вращения
Присоединительные размеры
Другие размеры
Прочие характеристики
Подшипник шарнирный GE630-DW-2RS2 (INA)
Подшипник скольжения сферический GE 630 ES (CX, ISO)
Подшипник шарнирный GE630-DW (INA)