Главная > Подшипники> Шарнирные скольжения>GE460-DO

GE460-DO — Подшипник шарнирный, импортное производство по ISO стандарту, размер 460x620x218 номер основного исполнения .
Производится брендами: INA, ISO.
DO = Поверхность скользящего контакта Сталь / Сталь, внутреннее и наружное кольцо закалены.
Цена по запросу
Цена на подшипник зависит от:
Габаритные размеры
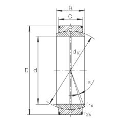
Размеры и геометрические характеристики
Нагрузка и ресурс
Защита
Отклонение, точность вращения
Присоединительные размеры
Другие размеры
Прочие характеристики
Подшипник шарнирный GE460-DW-2RS2 (INA)
Подшипник шарнирный GE460-DW (INA, ISO)
Подшипник скольжения сферический GE 460 ES (CX, ISO)
Подшипник скольжения сферический GE 460 QCR (CX, ISO)
Радиальный сферический подшипник скольжения GEC460HC (AST, LS)
Радиальный сферический подшипник скольжения GEC460XS-2RS (AST, LS)