Главная > Подшипники> Шарнирные скольжения>GE440-DO

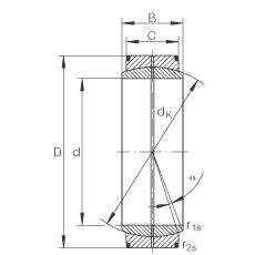
GE440-DO — Подшипник шарнирный, импортное производство по ISO стандарту, размер 440x600x218 номер основного исполнения .
Производится брендами: INA, ISO.
DO = Поверхность скользящего контакта Сталь / Сталь, внутреннее и наружное кольцо закалены.
Цена по запросу
Цена на подшипник зависит от:
Габаритные размеры
Размеры и геометрические характеристики
Нагрузка и ресурс
Защита
Отклонение, точность вращения
Присоединительные размеры
Другие размеры
Прочие характеристики
Подшипник скольжения сферический GE 440 ES (CX, ISO)
Подшипник скольжения сферический GE 440 QCR (CX, ISO)
Подшипник шарнирный GE440-DW (INA, ISO)
Подшипник шарнирный GE440-DW-2RS2 (INA)
Радиальный сферический подшипник скольжения GEC440FBAS (SKF)
Радиальный сферический подшипник скольжения GEC440HC (AST, LS)