Главная > Подшипники> Шарнирные скольжения>GE300XT/X

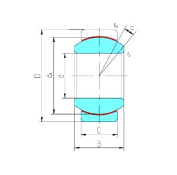
GE300XT/X — Радиальный сферический подшипник скольжения, импортное производство по ISO стандарту, размер 300x430x165 номер основного исполнения .
Производится брендами: AST, LS.
T = Механически обработанный сепаратор из текстолита, центрируемый по телам качения.
Цена по запросу
Цена на подшипник зависит от:
Габаритные размеры
Размеры и геометрические характеристики
Нагрузка и ресурс
Защита
Присоединительные размеры
Конструкция и исполнение
Прочие характеристики
Сферический подшипник скольжения GE300-DO-2RS (INA, ISO)
Сферический подшипник скольжения GE 300 ES-2RS (CX, FBJ, IKO, ISO, LS)
Сферический подшипник скольжения GE 300 ES (AST, CX, FBJ, IKO, ISO)
Подшипник скольжения сферический GE 300 ECR-2RS (CX, ISO)
Сферический подшипник скольжения GE300-UK-2RS (INA, ISO)
Подшипник скольжения сферический GE 300 ET 2RS (ISB)