Главная > Подшипники> Шарнирные скольжения>GE220XT/X

GE220XT/X — Радиальный сферический подшипник скольжения, импортное производство по ISO стандарту, размер 220x320x135 номер основного исполнения .
Производится брендами: AST, LS.
T = Механически обработанный сепаратор из текстолита, центрируемый по телам качения.
Цена от:84 966 р.
Цена на подшипник зависит от:
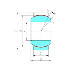
Габаритные размеры
Размеры и геометрические характеристики
Нагрузка и ресурс
Защита
Присоединительные размеры
Конструкция и исполнение
Прочие характеристики
Сферический подшипник скольжения GE220-UK-2RS (INA, ISO)
Сферический подшипник скольжения GE 220 ES (AST, CX, FBJ, IKO, ISO)
Подшипник скольжения сферический GE 220 ET 2RS (ISB)
Сферический подшипник скольжения GE220-DO-2RS (INA, ISO)
Подшипник скольжения сферический GE 220 ECR-2RS (CX, ISO)
Радиальный сферический подшипник скольжения GE220ES-2LS (SKF)