Главная > Подшипники> Шарнирные скольжения>GE150-SW

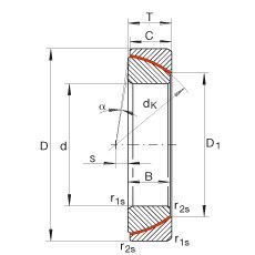
GE150-SW — Подшипник шарнирный, импортное производство по ISO стандарту, размер 150x225x48 номер основного исполнения .
Производитель: INA.
W = Без кольцевой канавки и смазочных отверстий в наружном кольце.
Цена по запросу
Цена на подшипник зависит от:
Габаритные размеры
Размеры и геометрические характеристики
Нагрузка и ресурс
Защита
Отклонение, точность вращения
Присоединительные размеры
Прочие характеристики
Однорядный конический роликовый подшипник 32030 (CRAFT, CYSD, FAG, ISB, ISO)
Подшипник роликовый радиально-упорный 2007130A (EPK)
Однорядный конический роликовый подшипник 32030JR (KOYO)
Конический роликоподшипник 32030A (SNR)
Однорядный конический роликовый подшипник 32030-X-XL (FAG)
Подшипник роликовый радиально-упорный 32030 AX (CX, PSL, ZVL)