Главная > Подшипники> Шарнирные скольжения>GAZ 212 SA

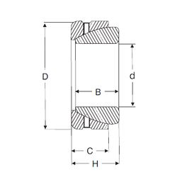
GAZ 212 SA — Радиальный сферический подшипник скольжения, импортное производство по ISO стандарту, размер 69x111x39 номер основного исполнения .
Производитель: SIGMA.
S = смазочный паз и три отверстия в наружном кольце подшипника.
Цена от:1 379 р.
Цена на подшипник зависит от:
Габаритные размеры
Размеры и геометрические характеристики
Защита