Главная > Подшипники> Шарнирные скольжения>GAZ 108 SA

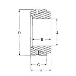
GAZ 108 SA — Радиальный сферический подшипник скольжения, импортное производство по ISO стандарту, размер 38x61x21 номер основного исполнения .
Производитель: SIGMA.
S = смазочный паз и три отверстия в наружном кольце подшипника.
Цена по запросу
Цена на подшипник зависит от:
Габаритные размеры
Размеры и геометрические характеристики
Защита