Главная > Подшипники> Шарнирные скольжения>GAZ 012 SA

GAZ 012 SA — Радиальный сферический подшипник скольжения, импортное производство по ISO стандарту, размер 19x31x10 номер основного исполнения .
Производитель: SIGMA.
S = смазочный паз и три отверстия в наружном кольце подшипника.
Цена по запросу
Цена на подшипник зависит от:
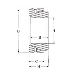
Габаритные размеры
Размеры и геометрические характеристики
Защита