Главная > Подшипники> Шарнирные скольжения>GAKR 30 PW

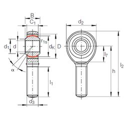
GAKR 30 PW — Сферический шарнирный подшипник, импортное производство по ISO стандарту, размер 30x55x37 номер основного исполнения .
Производитель: INA.
P = Литой сепаратор из стеклонаполненного полиамида 6,6, центрируемый по телам качения.
Цена от:3 232 р.
Цена на подшипник зависит от:
Габаритные размеры
Размеры и геометрические характеристики
Нагрузка и ресурс
Защита
Присоединительные размеры
Сферический шарнирный подшипник GAKL 30 PW (INA)
Сферический шарнирный подшипник GAKFL 30 PB (INA)
Сферический шарнирный подшипник GAKFR 30 PW (INA)
Сферический шарнирный подшипник GAKFL 30 PW (INA)
Радиальный сферический подшипник скольжения GAKL 30 PB (INA)
Сферический шарнирный подшипник GAKR 30 PB (INA)