Главная > Подшипники> Шарнирные скольжения>GAKFL 5 PW

GAKFL 5 PW — Сферический шарнирный подшипник, импортное производство по ISO стандарту, размер 5x13x8 номер основного исполнения .
Производитель: INA.
P = Литой сепаратор из стеклонаполненного полиамида 6,6, центрируемый по телам качения.
Цена по запросу
Цена на подшипник зависит от:
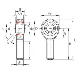
Габаритные размеры
Размеры и геометрические характеристики
Нагрузка и ресурс
Защита
Присоединительные размеры
Сферический шарнирный подшипник GAKFL 5 PB (INA)
Сферический шарнирный подшипник GAKFR 5 PB (INA)
Радиальный сферический подшипник скольжения GAKL 5 PB (INA)
Сферический шарнирный подшипник GAKL 5 PW (INA)
Радиальный сферический подшипник скольжения GAKR 5 PW (INA)
Сферический шарнирный подшипник GAKFR 5 PW (INA)