Главная > Подшипники> Шарнирные скольжения>GACZ 112 S

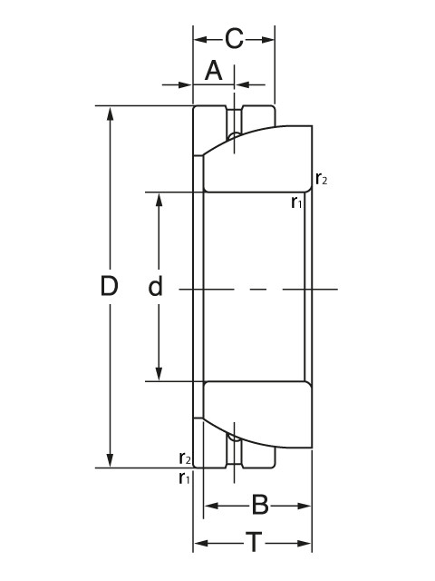
GACZ 112 S — Сферический подшипник скольжения, импортное производство по ISO стандарту, размер 44x71x24 номер основного исполнения .
Производитель: NIS.
S = смазочный паз и три отверстия в наружном кольце подшипника.
Цена по запросу
Цена на подшипник зависит от:
Габаритные размеры
Размеры и геометрические характеристики
Прочие характеристики