Главная > Подшипники> Шарнирные скольжения>GACZ 104 S

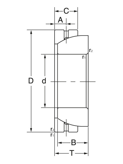
GACZ 104 S — Сферический подшипник скольжения, импортное производство по ISO стандарту, размер 31x50x17 номер основного исполнения .
Производитель: NIS.
S = смазочный паз и три отверстия в наружном кольце подшипника.
Цена по запросу
Цена на подшипник зависит от:
Габаритные размеры
Размеры и геометрические характеристики
Прочие характеристики