Главная > Подшипники> Шарнирные скольжения>GAC 80 CP

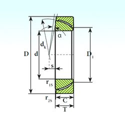
GAC 80 CP — Подшипник скольжения сферический, импортное производство по ISO стандарту, размер 80x125x29 номер основного исполнения .
Производитель: ISB.
P = Литой сепаратор из стеклонаполненного полиамида 6,6, центрируемый по телам качения.
Цена по запросу
Цена на подшипник зависит от:
Габаритные размеры
Размеры и геометрические характеристики
Нагрузка и ресурс
Защита
Однорядный конический роликовый подшипник 32016 (CRAFT, CYSD, FAG, FBJ, ISB)
Однорядный конический роликовый подшипник 32016 X (FAG, NIS, NKE, NTN, TIMKEN)
Подшипник роликовый радиально-упорный 2-2007116 А1 (ГПЗ-15)
Подшипник роликовый радиально-упорный 2-2007116 А (ГПЗ-15)
Подшипник роликовый радиально-упорный конический однорядный повышенной грузоподъемности 2007116 A