Главная > Подшипники> Шарнирные скольжения>GAC 60 CP

GAC 60 CP — Подшипник скольжения сферический, импортное производство по ISO стандарту, размер 60x95x23 номер основного исполнения .
Производитель: ISB.
P = Литой сепаратор из стеклонаполненного полиамида 6,6, центрируемый по телам качения.
Цена по запросу
Цена на подшипник зависит от:
Габаритные размеры
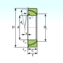
Размеры и геометрические характеристики
Нагрузка и ресурс
Защита
Однорядный конический роликовый подшипник 32012 (CRAFT, CYSD, FBJ, ISO, SKF)
Однорядный конический роликовый подшипник 32012 XQ (SKF)
Подшипник роликовый радиально-упорный 2007112A (EPK)
Подшипник роликовый радиально-упорный конический однорядный 2007112 А
Подшипник роликовый радиально-упорный 5-2007112 А (ГПЗ-15)
Подшипник роликовый радиально-упорный конический однорядный повышенной грузоподъемности 6-2007112 А