Главная > Подшипники> Шарнирные скольжения>GAC 40 CP

GAC 40 CP — Подшипник скольжения сферический, импортное производство по ISO стандарту, размер 40x68x19 номер основного исполнения .
Производитель: ISB.
P = Литой сепаратор из стеклонаполненного полиамида 6,6, центрируемый по телам качения.
Цена по запросу
Цена на подшипник зависит от:
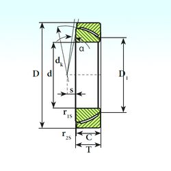
Габаритные размеры
Размеры и геометрические характеристики
Нагрузка и ресурс
Защита
Подшипник шариковый упорный однонаправленный 51208 (AST, CRAFT, CX, FAG, FBJ)
Роликовый цилиндрический упорный подшипник 81208 (CX, INA, ISO, NIS, NTN)
Однорядный конический роликовый подшипник 32008 (CRAFT, CYSD, FBJ, ISB, ISO)
Подшипник роликовый радиально-упорный конический однорядный повышенной грузоподъемности 2007108 А
Подшипник роликовый радиально-упорный 2007108A (EPK)