Главная > Подшипники> Шариковые> Радиальные>G1111-KRR-B-AS2/V

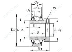
G1111-KRR-B-AS2/V — Подшипник для корпуса, импортное производство по ISO стандарту, размер 42x85x56 номер основного исполнения G1111.
Производитель: INA.
KRR = Манжетные уплотнения на обеих сторонах (тип R - имеет цинковую внутреннюю и внешнюю крышку. Между крышками на поверхности основания находится губка уплотнения NBR). B = подшипник со сферическим наружным кольцом.
Цена по запросу
Цена на подшипник зависит от:
Габаритные размеры
Размеры и геометрические характеристики
Нагрузка и ресурс
Защита
Конструкция и исполнение
Прочие характеристики
Радиальный шарикоподшипник CEX209-27 (SNR)
Радиальный шарикоподшипник EX209-27 (SNR)