Главная > Подшипники> Шариковые> Радиальные>G1008-KRR-B-AS2/V

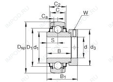
G1008-KRR-B-AS2/V — Подшипник шариковый закрепляемый, импортное производство по ISO стандарту, размер 12x40x37 номер основного исполнения .
Производитель: INA.
KRR = Манжетные уплотнения на обеих сторонах (тип R - имеет цинковую внутреннюю и внешнюю крышку. Между крышками на поверхности основания находится губка уплотнения NBR). B = подшипник со сферическим наружным кольцом.
Цена по запросу
Цена на подшипник зависит от:
Габаритные размеры
Размеры и геометрические характеристики
Нагрузка и ресурс
Защита
Конструкция и исполнение
Прочие характеристики