Главная > Подшипники> Роликовые > Игольчатые>FWF-303716-E

FWF-303716-E — Игольчатый роликоподшипник, импортное производство по ISO стандарту номер основного исполнения .
Производитель: NSK.
Е = Увеличенная грузоподъемность.
Цена по запросу
Цена на подшипник зависит от:
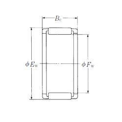
Габаритные размеры
Размеры и геометрические характеристики
Нагрузка и ресурс
Защита
Присоединительные размеры
Конструкция и исполнение
Радиальный шарикоподшипник S61706-2RS (ZEN)
Радиальный шарикоподшипник S61706 (ZEN)
Радиальный шарикоподшипник S61706-2Z (ZEN)
Подшипник игольчатый радиальный 30VS3720P (KOYO)
Игольчатый роликоподшипник FWF-303720 (NSK)
Роликовый игольчатый подшипник FWF-303716 (NSK)