Главная > Подшипники> Роликовые > Игольчатые>FWF-243015-E

FWF-243015-E — Игольчатый роликоподшипник, импортное производство по ISO стандарту номер основного исполнения .
Производитель: NSK.
Е = Увеличенная грузоподъемность.
Цена по запросу
Цена на подшипник зависит от:
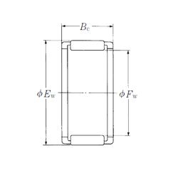
Габаритные размеры
Размеры и геометрические характеристики
Нагрузка и ресурс
Защита
Присоединительные размеры
Конструкция и исполнение
Игольчатый роликоподшипник FWF-243017-E (NSK)
Игольчатый роликоподшипник FWF-243017 (NSK)
Роликовый игольчатый подшипник K24X28X17H (KOYO, TIMKEN)
Подшипник игольчатый радиальный K24X30X13BE (KOYO, TIMKEN)
Подшипник игольчатый радиальный K24X30X17BE (KOYO, TIMKEN)
Роликовый игольчатый подшипник K24X30X17H (KOYO, TIMKEN)