Главная > Подшипники> Роликовые > Игольчатые>FWF-233116-E

FWF-233116-E — Игольчатый роликоподшипник, импортное производство по ISO стандарту номер основного исполнения .
Производитель: NSK.
Е = Увеличенная грузоподъемность.
Цена по запросу
Цена на подшипник зависит от:
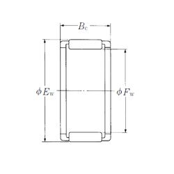
Габаритные размеры
Размеры и геометрические характеристики
Нагрузка и ресурс
Защита
Присоединительные размеры
Конструкция и исполнение