Главная > Подшипники> Роликовые > Игольчатые>FWF-202617-E

FWF-202617-E — Игольчатый роликоподшипник, импортное производство по ISO стандарту номер основного исполнения .
Производитель: NSK.
Е = Увеличенная грузоподъемность.
Цена по запросу
Цена на подшипник зависит от:
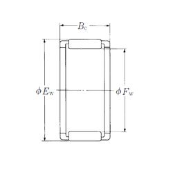
Габаритные размеры
Размеры и геометрические характеристики
Нагрузка и ресурс
Защита
Присоединительные размеры
Конструкция и исполнение
Подшипник игольчатый радиальный 3КК20X26X34Е (МПЗ)
Подшипник игольчатый радиальный КCК20X26X17Д (МПЗ)
Цилиндрический роликоподшипник RR0407 (NTN)
Подшипник игольчатый радиальный 20VS2614CP-2 (KOYO)
Подшипник игольчатый радиальный BE202614SY1B1 (KOYO)
Подшипник игольчатый радиальный BE202614BSB1 (KOYO)