Главная > Подшипники> Роликовые > Игольчатые>FWF-182314-E

FWF-182314-E — Игольчатый роликоподшипник, импортное производство по ISO стандарту номер основного исполнения .
Производитель: NSK.
Е = Увеличенная грузоподъемность.
Цена по запросу
Цена на подшипник зависит от:
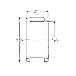
Габаритные размеры
Размеры и геометрические характеристики
Нагрузка и ресурс
Защита
Присоединительные размеры
Конструкция и исполнение
Роликовый игольчатый подшипник FWF-182320 (NSK)
Подшипник игольчатый радиальный K18X23X23SE (KOYO, TIMKEN)
Подшипник игольчатый радиальный K18X23X20SE (KOYO, TIMKEN)
Подшипник игольчатый радиальный K18X26X20F (KOYO)
Подшипник игольчатый радиальный KTV 182321 EG (IKO)