Главная > Подшипники> Роликовые > Игольчатые>FWF-152110-E

FWF-152110-E — Игольчатый роликоподшипник, импортное производство по ISO стандарту номер основного исполнения .
Производитель: NSK.
Е = Увеличенная грузоподъемность.
Цена по запросу
Цена на подшипник зависит от:
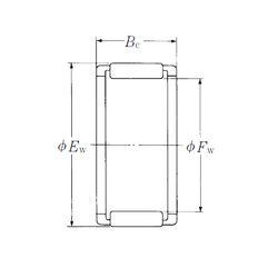
Габаритные размеры
Размеры и геометрические характеристики
Нагрузка и ресурс
Защита
Присоединительные размеры
Конструкция и исполнение
Радиальный шарикоподшипник S61702-2RS (ZEN)
Радиальный шарикоподшипник S61702 (ZEN)
Радиальный шарикоподшипник S61702-2Z (ZEN)
Игольчатый роликоподшипник FBN-152118-E (NSK)
Игольчатый роликоподшипник FWF-152117 (NSK)
Игольчатый роликоподшипник FWF-152121A (NSK)